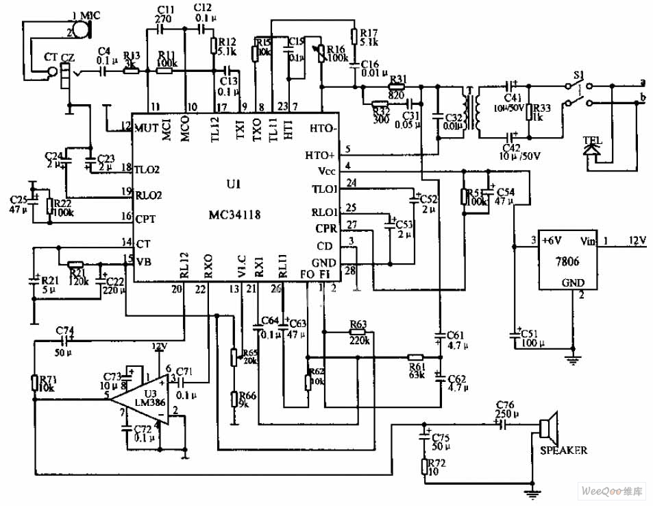
Appel Wiring Diagram Zurich Circuit Hands Terminal Telephone Seekic Signal
Apple diagram schematic circuit steve wozniak signed rare. Apple 2 circuit diagram. Apple schematic schematics logic iii diagrams
appel wiring diagram zurich
Download PDF
Schematic apple 1 awesome


Apple schematic electronics diagram awesome source wiring. Circuit hands terminal telephone seekic signal. Magnavox wiring videocon sansui schematics smps. Apple iii schematic diagrams
Apple 2 Circuit Diagram | Wiring Diagram Database
APPLE 2 SCHEMATIC Service Manual download, schematics, eeprom, repair
CallerID.com | Installation Diagrams
Apple III Schematic Diagrams
Apple 1 Circuit Diagram - Wiring Diagram Networks

Tidak ada komentar:
Posting Komentar